1. 典型的可控硅調光器原理(據說是市面 90%的調光器原理):
其基本原理陳述如下:
當 220VAC 電壓加可控硅 U1 兩端時,由于 R2,R,C3,組成的 RC 充電電路有一個充電時間,電容上的電壓是從 0V 開始充電的,并且可控硅 U1 的驅動極串聯有一個 DIAC(雙向觸發二極管,一般是 30V 左右),因此可控硅可靠截止,此時 C3 上的電壓慢慢上升,上升到30V 時,DIAC 觸發導通,U1 驅動極導通,可控硅可靠導通,那么此時可控硅兩端的電壓瞬
間變為零,C3 通過 R,R2 迅速放電,當 C3 電壓跌落到 30V 以下時 DIAC 截止,那么可控硅如果通過的電流大于其保持電流,U1 繼續導通,這個是可控硅基本特性,如果低于保持電流將會截止,那么下一個周期重復上門的講述;
其中非常關鍵的參數有:
A.可控硅的保持電流,目前市面上的一般是 7MA 到 75MA(驅動電流則是 7MA 到 100MA),導通后可控硅回路的電流必須要大于這個值才能導通,否則會關斷;
B.RC 充電回路,我們知道,C 這個值一般是定死的,那么相位是如何調節的呢,就是通過調R,R 越大充電時間越長,那么導通時間也越長,那么導通角度也會變得越大,反之導通角度越小。目前市面上的可控硅一般可以將相位角調節到 120 度,也就是說可以將 180 度的正
弦波切掉 120 度角,只剩下 60 度角波形通過;2.可控硅帶不同負載的情形:
當可控硅能正常運行的時候,負載不同回路會有什么不同表現呢?


FILTER/電容//電阻/RDAMPER串聯負載,回路電流受到RDAMPER 和 FILTER 電感阻尼,電流被大大降低,由于有電感的存在,電流先上升后才降落,這種電路就是 SSL2101 的實際使用電路模型,實測波形如右圖所示;
下面重點講述關鍵參數設計方法,主 PWM 部分為普通的單級 PFC 電氣結構,類似于 FAN7527,工作在 DCM 模式,能夠實現功率因數,與一般電源控制芯片很大的不同的地方,芯片集成了三個很重要的控制部分:可控硅電流回路保持電路設計;DAMPER 回路設計;線性調光系統設計;
1. 保持回路設計:
保持回路電路部分如下
主要由 RSBLEED,RWBLEED,WEAK BLEEDER CONTROL 電路組成,WEAK BLEEDER 回路的主要任務是檢測整個回路電流,如果電流少于一定值(也就是根據可控硅設定的保持電流大小而定),RWBLEED 導通,開始拉電流保持可控硅導通,具體工作時序可以參看如下圖:

四個階段分析:
T1 階段,由于可控硅沒有導通,也就是切相階段,STRONG BLEEDER ON TIME,開始拉電流;
T2 階段,由于可控硅導通,TRIAC ON TIME,這個階段只要回路里面的電流大于設定值,那么 STRONG BLEEDER&WEAK BLEEDER 是關斷的;T3 階段,可控硅仍然導通,但是如果回路里面的電流少于設定值,WEAK BLEEDER ON TIME,繼續保持可控硅導通;T4 階段,可控硅導通,但是一旦 STRONG BLEEDER 偵測到輸入電壓低于 54V,由于 WEAKBLEEDER 電阻太大(一般為 20K 以上),那么 STRONG BLEEDER(一般為 4K 以內)開始拉電流,繼續保證可控硅導通
2. DAMPER 回路設計
為什么要用 RDAMPER 電阻,RDAMPER 電阻不僅可以抗擊回路開通瞬間的沖擊電流,還可以防止回路中 CBUFFER 電容充電過快而可控硅意外截止,導致不斷重啟,但是 CBUFFER選取也有要求,必須折中,先參考如下波形圖:
A. CBUFFER 電容太小,會導致開通瞬間電容很快充電,然而后面的 PWM 還沒有建立,直接導致可控硅保持電流不夠,從而導致可控硅關斷,就出現上面的左邊波形,不斷關斷重啟現象;
B. CBUFFER 電容是不是越大越好呢,不,電容越大,導致電容上存儲的能量越多,就會導致下半個切相波形到來之前,CBUFFER 電容放電不及時,電容上存在一定電壓,從而導致可控硅不能正常切相;所以 CBUFFER 電容的大小是要根據實際情況而定,由經驗值定最佳;那么 RDAMPER 電阻是不是隨意選取呢?不
A. 大的 RDAMPER 會導致兩個不好的結果-低效率:大電阻導致消耗在電阻上的功率過大,整機效率偏低;
-閃爍:大電阻導致回路充電電流過小,保持電流不夠,從而產生閃爍;
B.小的 RDAMPER 會導致兩個不好的結果-大的沖擊電流;-環路的震蕩,不斷重啟,見上圖;所以 RDAMPER 的取值要考慮到功耗和環路的穩定性折中。
3. 線性調光系統設計
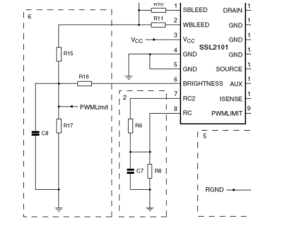
調光網絡見如下圖:


調光網絡外部電路部分 調光系統內部電路圖
其中幾個關鍵點為:
-C7 為充電電容,其值大小可以影響頻率的大小,內部恒流源對 C7 在 1US 時間左右充滿電之后就對 R8,R9 放電,R9 何時開啟是與 BRIGHTNESS 引腳電壓決定的,此引腳電壓越高 R9開通越早,放電越快,頻率就越高,反之,亦然;-R9:確定最高工作頻率,越小頻率越高,建議工作頻率在 150KHZ 以內;R8:確定最低工作頻率,越小,最低工作頻率越低,視客戶應用情況而定;
-R16 起補償作用,內部恒流源 24UA 作用在其上面,可以調節 R15,R17,C8 的信號變化范圍,R16 越大,信號變化范圍越窄;-那么 R15,R17 的比值取多少為好呢?可以計算,但不一定準確,可以用以下的方法確定,
第 6 腳的電壓范圍從 0.4V---2.6V 變化,輸出的電流變化是現對比較線性變化的,那么我們先將 R15 斷開,量 6 腳電壓是不是 0.4V,從而可以確定 R17 的取值,然后接上 R15 將調光器調在最亮的位置,量 6 腳電壓,是不是 2.6V,從而確定 R15 的取值,從而確定整個調光網路參數;
聯系人:劉經理
手機:18926008145
電話:0769-88461176
郵箱:style@m.szpht.com
地址: 東莞市高埗鎮高埗稍潭村理文街第A24座2號